19.3. Условные обозначения к электрическим схемам
A7—ЭБУ системой ABS
A27—ЭБУ системой автоматического поддержания постоянной скорости автомобиля
A30—комбинация приборов (41 — микропроцессор)
A31—модуль топливного насоса (1 — топливныйнасос; 2 — датчик указателя уровня топлива в баке)
A37—бортовой компьютер
A38—реле времени
A77—ЭБУ иммобилайзером/системой центральной блокировки замков дверей
A147—ЭБУ силовым агрегатом
B43—датчик угла поворота коленчатого вала
B120—селектор выбора передач АКП
B135—датчик температуры головки блока цилиндров
E1—левая фара (1 — нить накала ближнего света лампы; 3 — нить накала дальнего света лампы)
E3—левый передний указатель поворота
E7—правая фара (1 — нить накала ближнего света лампы; 3 — нить накала дальнего света лампы)
E8—правый передний указатель поворота
E9—левый задний фонарь (2 — нить накала сигнала торможения лампы; 4 — нить накала габаритного света лампы)
E10—правый задний фонарь (2 — нить накала сигнала торможения лампы; 4 — нить накала габаритного света лампы)
E44—боковой повторитель правого указателя поворота
E45—боковой повторитель левого указателя поворота; N49 — выключатель аварийной световой сигнализации (положения выключателя: 0 — выключено; 1 — включено; 2 — контрольная лампа включения аварийной световой сигнализации)
E48—правый задний указатель поворота
E49—левый задний указатель поворота
E105—левый фонарь света заднего хода
E109—правый фонарь света заднего хода
E174—дополнительный фонарь сигнала торможения
H1—звуковой сигнал
H4—дополнительный звуковой сигнал
K4—реле топливного насоса
K13—реле питания ЭБУ силовым агрегатом
K22—реле стартера
K33—реле звукового сигнала
K36—реле ближнего света
K37—реле дальнего света
K45—реле вентилятора охлаждения двигателя
K46—реле вентилятора охлаждения двигателя (повышенная частота вращения)
K50—реле электрических стеклоподъемников
K70—реле свечей накаливания
LHD—автомобили с левосторонним расположением рулевого управления
M8—стартер
M9—очиститель заднего стекла
M37—вентилятор охлаждения двигателя
M38—дополнительный вентилятор охлаждения двигателя
M122—стеклоподъемник двери водителя
M123—стеклоподъемник двери переднего пассажира
M132—стеклоподъемник задней левой двери
M133—стеклоподъемник задней правой двери
N54—выключатель звукового сигнала (положения выключателя: 0 — выключен; 1 — включен)
N81—выключатель на педали сцепления (положения выключателя: 1 — сцепление включено; 2 — сцепление выключено)
N76—датчик давления в системе кондиционирования (положения датчика: 1 — нормальное давление; 2 — повышенное давление)
N90—подрулевой переключатель дальнего/ ближнего света фар и указателей поворота (0 — выключено; 1 — дальний свет; 2 — переключение дальнего / ближнего света)
N104—переключатель очистителя и омывателя ветрового стекла (положения переключателя: 0 — выключено; 6 — включен омыватель; 7 — включен очиститель)
N120—выключатель внешнего освещения (0 — выключено; 1 — габаритный свет; 2 — ближний свет фар
N276—выключатель на коробке передач (положения выключателя: 2 — сигнал заднего хода включен; 3 — сигнал заднего хода включен; 5 — включена одна из передач коробки; 6 — включена нейтральная передача коробки)
N278—выключатель (замок) зажигания (положения выключателя: 0 — зажигание выключено; 1 — включено питание радиоприемника; 2 — зажигание включено; 3 — включение стартера (пуск двигателя))
N300—переключатели электрических стеклоподъемников на двери водителя (0 — стеклоподъемники выключены; 1 — поднятие стекол; 2 — опускание стекол; 3 — лампы подсветки переключателей стеклоподъемников; 5 — переключатель стеклоподъемника двери водителя; 10 — опускание стекла двери водителя; 11 — поднятие стекла двери водителя)
N316—выключатель подачи топлива (положения выключателя: 1 — включен; 2 — выключен)
N318—выключатель сигнала торможения (положения выключателя: 1 — выключено; 2 — включено)
P91—центральный монтажный блок предохранителей и реле
O1—аккумуляторная батарея
O5—генератор
P1—перемычка
P13—винтовой проводник
P20—свечи накаливания
P91—центральный монтажный блок предохранителей и реле
P93—монтажный блок предохранителей и реле на аккумуляторной батарее
P136—свечи зажигания
R27—резистор
R51—обогреватель левого сопла омывателя ветрового стекла
R52—обогреватель правого сопла омывателя ветрового стекла
T1—катушка зажигания
U1—конденсатор
V33—диод
Y13—электромагнитный клапан системы холостого хода
Y108—топливная форсунка цилиндра № 1
Y109—топливная форсунка цилиндра № 2
Y110—топливная форсунка цилиндра № 3
Y111—топливная форсунка цилиндра № 4
Блок под капотом
Он находится под защитной крышкой, с тыльной левой стороны подкапотного пространства, рядом со стойкой.
Фото — пример

Схема
Назначение предохранителей
| 1 | 40А Главная цепь бортового электроснабжения |
| 2 | 30А Вентилятор системы охлаждения (кондиционер) |
| 3 | 30А Вентилятор системы охлаждения (2.0L) |
| 4 | 50А Обогрев лобового стекла |
| 5 | 60А Свеча накаливания дизеля |
| 6 | 30/50А Вентилятор радиатора (кондиционер) |
| 7 | 40А Основная подача электроэнергии в электрическую систему автомобиля |
| 8 | 30А Замок зажигания, стартер |
| 9 | 20А Блок управления двигателем |
| 10 | 10А Контроль заряда батареи, диагностический разъем |
| 11 | 30А ABS |
| 12 | 15А Топливный насос, насос высокого давления (дизель) |
| 13 | 30А Стеклоочиститель (омываетль) фар |
| 14 | 10А Дневные ходовые огни |
| 15 | 10А Муфта компрессора кондиционера |
| 16 | 10А Ближний свет (левая сторона) |
| 17 | 10А Ближний свет (правая сторона) |
| 18 | 10А Питание лямбда-зонд, подогреваемый кислородный датчик |
| 19 | 10А Дневной свет (габаритные огни) |
| 20 | 10А Управление двигателем |
| 21 | 20А ABS |
| 22 | 15А Дневной свет (ближний свет) |
| 23 | 20А Вспомогательный отопитель, резервное питание противоугонной системы (ST170) |
| 24 | 30А Свечи накаливания, сабвуфер (ST170) |
| 25 | 15А Дневные ходовые огни |
| 26 | 10А Дальний свет (слева) |
| 27 | 10А Дальний свет (справа) |
| 28 | 10А Обогрев лобового стекла, питание подогрева (дизель) |
| 29 | 30А Вентилятор радиатора (кондиционер) |
| 64 | 30А Мотор отопителя |
| D1 | Диод блока управления двигателем |
| D2 | Диод вентилятора системы охлаждения |
| D4 | Диод системы охлаждения |
Расшифровка реле
| R1 | Зажигание |
| R2 | Свечи накаливания, Насос вторичного воздуха |
| R3 | Обогрев лобового стекла, Вентилятор системы охлаждения |
| R4 | Омыватели фар |
| R5 | Дальний свет |
| R6 | Ближний свет |
| R7 | Топливный насос |
| R8 | Блок управления двигателем |
| R9 | Вентилятор системы охлаждения, Предварительный подогрев |
| R10 | Свечи накаливания, Вентилятор системы охлаждения 2 |
| R11 | Кондиционер |
| R12 | Дневные ходовые огни |
| R13 | Противотуманный свет, Стартер |
| R14 | Ксеноновые лампы |
| R15 | Вентилятор системы охлаждения (высокая скорость) |
| R16 | Вентилятор системы охлаждения (низкая скорость) |
Почему полезно разбираться в автоэлектрике
Даже если у вас не технический склад ума или ваш доход позволяет вам не задумываться о таких мирских мелочах — замена обычного сгоревшего предохранителя в долгом пути позволит вам значительно облегчить жизнь. Я уж не говорю о тех случаях, когда сервисмэны, не желая разбираться в проблеме вашего автомобиля, призывают вас менять все датчики подряд, тратя на эту «карусель» значительные суммы денег (что кстати иногда не гарантирует положительного результата). По-этому, я предлагаю вам не сдаваться раньше времени и попробовать самостоятельно диагностировать поломку вашего автомобиля, а для этого было бы неплохо иметь под рукой электрические схемы, и самое главное — уметь их читать и понимать.
Скачивание книги
После успешного прохождения платежа (любым способом) и возврата в магазин KrutilVertel с сайта платежной системы Вы попадаете на страницу успешной оплаты:
Купленная Вами книга будет находиться в Вашем личном кабинете, откуда ее всегда можно будет скачать.
Обратите внимание, что после совершения оплаты, Вам необходимо вернуться обратно с сайта платежной системы на сайт KrutilVertel. В случае, если по каким либо причинам Вы не вернулись обратно на сайт и закрыли вкладку платежной системы с сообщением про успешное прохождение платежа, сообщите нам об этом — мы вышлем Вам письмо в котором будет указан доступ для скачивания книги
В случае, если по каким либо причинам Вы не вернулись обратно на сайт и закрыли вкладку платежной системы с сообщением про успешное прохождение платежа, сообщите нам об этом — мы вышлем Вам письмо в котором будет указан доступ для скачивания книги.
Электросхема форд фокус 2
СХЕМА СОЕДИНЕНИЙ ГЕНЕРАТОРА
Схема соединений генератора: 1 — аккумуляторная батарея; 2 — монтажный блок в моторном отсеке; 3 — ЭБУ; 4 — стартер; 5 — генератор; 6 — регулятор напряжения
СХЕМА ПУСКА ДВИГАТЕЛЯ
Схема пуска двигателя: I — с автоматической КП; II — с механической КП; 1 — аккумуляторная батарея; 2 — выключатель зажигания; 3 — монтажный блок в моторном отсеке; 4 — реле стартера; 5 — ЭБУ; 6 — датчик положения рычага селектора; 7 — стартер; 8 — генератор
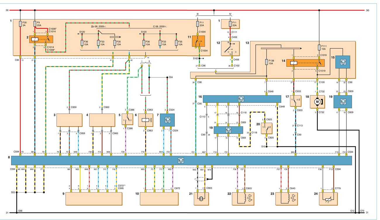
СХЕМА ЭЛЕКТРОННОЙ СИСТЕМЫ УПРАВЛЕНИЯ ДВИГАТЕЛЕМ 1,4 DURATEC, 1,6 DURATEC

Схема электронной системы управления двигателем: I — с ABS и ESP; II — без ABS и ESP; III — с системой запуска двигателя без ключа; IV — не оборудованный системой запуска двигателя без ключа; 1 — монтажный блок в моторном отсеке; 2 — главное реле; 3 — управляющий датчик концентрации кислорода; 4 — диагностический датчик концентрации кислорода; 5 — датчик давления в системе гидроусилителя рулевого управления; 6 — клапан продувки адсорбера; 7 — датчик скорости автомобиля; 8 — ЭБУ; 9 — дроссельный узел; 10 — датчик абсолютного давления и температуры воздуха; 11 — реле зажигания; 12 — выключатель зажигания; 13 — монтажный блок в салоне; 14 — реле топливного насоса; 15 — блок управления электропакетом; 16 — датчик положения педали «газа»; 17 — аварийный выключатель системы подачи топлива; 18 — топливный насос; 19 — комбинация приборов; 20 — датчик положения педали сцепления; 21 — датчик детонации; 22 — датчик фаз; 23 — датчик положения коленчатого вала; 24 — датчик температуры охлаждающей жидкости * с 08. 2009г. ** с двигателем 1,4
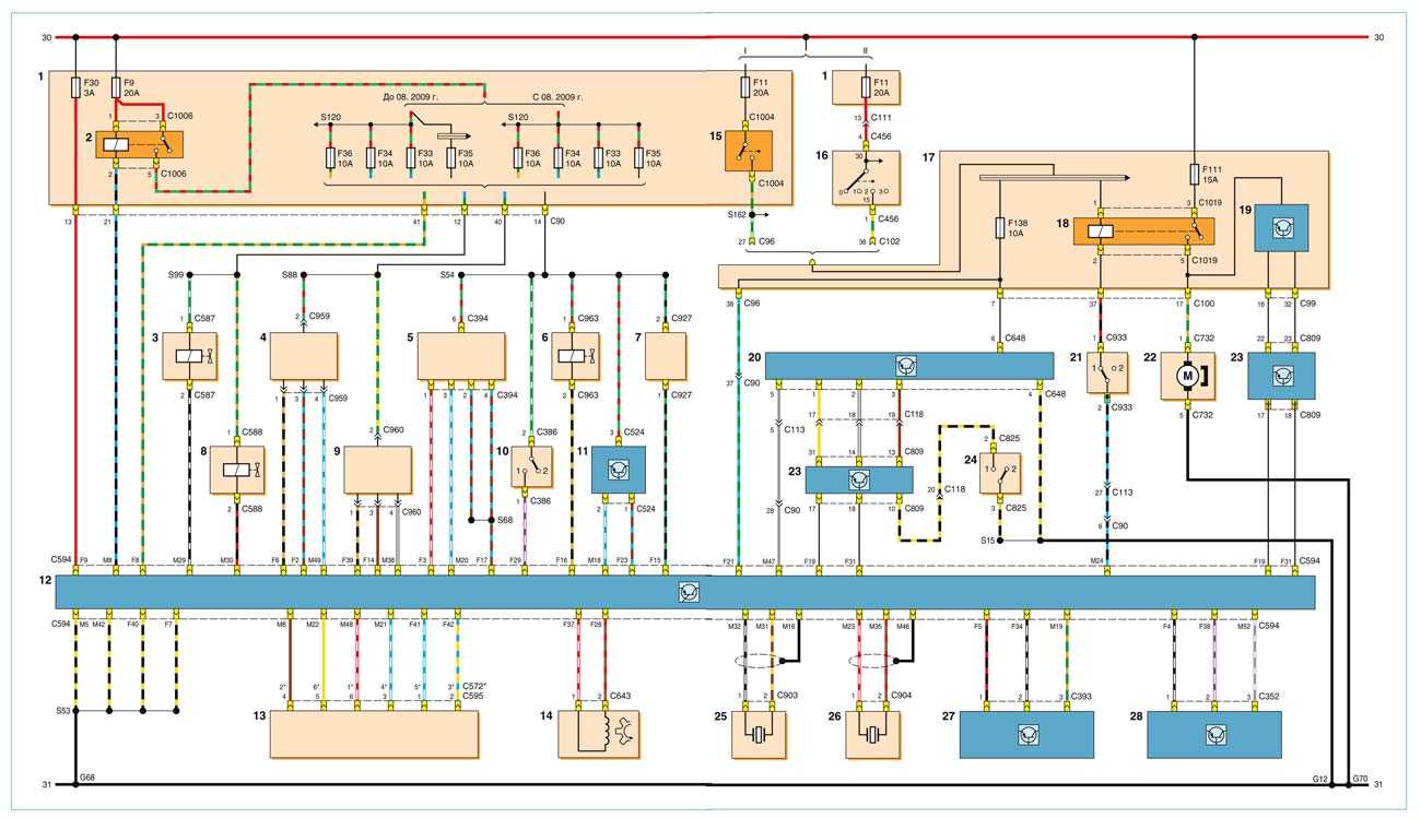
СХЕМА ЭЛЕКТРОННОЙ СИСТЕМЫ УПРАВЛЕНИЯ ДВИГАТЕЛЕМ 1,6 DURATEC TI-VCT

Схема электронной системы управления двигателем 1,6, 115 л.с.: I — с системой запуска двигателя без ключа; II — не оборудованный системой запуска двигателя без ключа; 1 — монтажный блок в моторном отсеке; 2 — главное реле; 3 — электромагнитный клапан системы изменения фаз распределительного вала выпускных клапанов; 4 — управляющий датчик концентрации кислорода; 5 — датчик массового расхода воздуха; 6 — клапан продувки адсорбера; 7 — термостат с электронным управлением; 8 — электромагнитный клапан системы изменения фаз распределительного вала впускных клапанов; 9 — диагностический датчик концентрации кислорода; 10 — датчик давления в системе гидроусилителя рулевого управления; 11 — датчик скорости автомобиля; 12 — ЭБУ; 13 — дроссельный узел; 14 — датчик положения коленчатого вала; 15 — реле зажигания; 16 — выключатель зажигания; 17 — монтажный блок в салоне; 18 — реле топливного насоса; 19 — блок управления электропакетом; 20 — датчик положения педали «газа»; 21 — аварийный выключатель системы подачи топлива; 22 — топливный насос; 23 — комбинация приборов; 24 — датчик положения педали сцепления; 25 — датчик детонации 1; 26 — датчик детонации 2; 27 — датчик положения распределительного вала выпускных клапанов; 28 — датчик положения распределительного вала впускных клапанов * с 09. 2008г. до 08. 2009г.
СХЕМА СИСТЕМЫ ЗАЖИГАНИЯ

Схема системы зажигания: а — двигатели 1,4 и 1,6; б — двигатель 1,6, 115 л.с.; 1 — монтажный блок в моторном отсеке; 2 — катушка зажигания; 3 — свечи зажигания; 4 — ЭБУ; 5 — датчик фаз; 6 — датчик положения коленчатого вала; 7 — датчик детонации; 8 — датчик положения распределительного вала выпускных клапанов; 9 — датчик положения распределительного вала впускных клапанов; 10 — датчик детонации 1; 11 — датчик детонации 2
СХЕМА ВКЛЮЧЕНИЯ ФОРСУНОК
Схема включения форсунок: 1 — монтажный блок в моторном отсеке; 2 — топливная форсунка; 3 — ЭБУ
Как научиться читать электрические схемы автомобиля
Здравствуйте любители авторемонта своими руками. Сегодня я хочу поделится с вами простым способом, как читать электрические схемы автомобиля.
На самом деле чтение электросхем автомобиля не такое уж и сложное занятие. Но, как всегда повторюсь если у вас нет желания то лучше не лезьте в электросхемы автомобилей.
Вообще то в интернете хватает и статей и даже видеообзоров о том, как читать электрические схемы автомобиля.
Поэтому особого смысла повторятся я не вижу если только, конечно не попытаться объяснить, как это сделать самым простым способом.
И так, чтобы принципиальная электрическая схема автомобиля была вам понятна, или как говорят прочитана, необходимо просто представить самую простую электрическую схему, например:
Так вот, что вы будете делать если в этой схеме перегорел предохранитель? Ну конечно по условию задачи вы не будете знать, что предохранитель перегорел.
Так вот сейчас мы и попытаемся узнать, как научиться читать электрические схемы автомобиля.
Правильный ответ будет такой – если у вас не имеется ни каких приборов, инструментов и приспособлений, проще говоря инструмент автоэлектрика, и у вас при этом нет даже минимального опыта в ремонте подобных вещей, то вы ни когда не обнаружите причину неисправности, ну если только случайно.
А на самом деле приборы для этого необходимы самые простые, например самая обычная контролька.
Теперь давайте добавим в нашу схему реле, мы же хотим понять, как читать схему электрооборудования автомобиля, так вот и сделаем самую простую схему, как в настоящем автомобиле.
Теперь при помощи кнопки включим лампочку.
Ну, а теперь, как и определились — у нас перегорел предохранитель, но мы об этом не знаем. Теперь нам понадобиться проверить электрические цепи для того, чтобы определить участок схемы, который вышел из строя.
Как вы видите кнопка включена но из за того, что предохранитель перегорел, ток на лампочку больше не идет хотя контакты реле замкнуты.
Первое, что надо проверить так это саму лампочку — очень часто проблема именно в ней.
Затем, как правило проверяют предохранитель.
А вот если лампочка и предохранитель исправны, то следующее, что надо проверять — это реле, затем контакты кнопки, которые проверяются с помощью обычной перемычки.
На примере выше видно, что лампочка горит в первом случаи и не горит во втором, потому что предохранитель не исправлен.
Заменим предохранитель и лампочка снова загорится.
Иными словами один контакт контрольки ставите жестко на минусовую клемму или корпус автомобиля, что одно и тоже, а вот вторым концом надо проверить предохранитель с обоих сторон.
Если он целый то напряжение будет с обоих сторон, а если нет то только с одной.
Все, что нарисовано на схемах это и есть идущие в жгутах автомобиля проводки.
И идут они именно так, как нарисовано на этих схемах, ну по крайней мере, так должно быть.
Вот вам и ответ, как читать электрические схемы автомобиля, а заодно, как выявлять неисправности.
Электрические схемы автомобилей практически во всех автомобилях одинаковые.
Ну конечно небольшие отличия будут, некоторые производители автомобилей используют больше защиты электрики автомобиля, какие то меньше, суть от этого не меняется.
Все электросхемы автомобилей идентичны.
Хотелось бы немного остановится на том, какой инструмент автоэлектрика вам понадобиться для изучения электросхемы автомобилей.
Все просто — контролька, кусачки, плоскогубцы, перемычка, мультиметр, изолента, может быть термо — кембрик (на любителя).
Вот такой вот не хитрый набор инструментов для автоэлектрика будет вам очень полезен.
Небольшое видео по нашей теме: «Как научиться читать электрические схемы автомобиля»
Ну вот я думаю вы и разобрались хоть чуть — чуть, в том как читать электрические схемы автомобиля.
C уважением автор блога: Doctor Shmi
Неисправности автогенераторов и способы их устранения
При работе генераторов могут возникать неисправности механического и электрического характера. Зачастую одна вовремя не исправленная поломка становится причиной других.
Признаки повреждения генератора:
- мигание или постоянная работа лампы зарядки при работающем моторе;
- недостаточная зарядка или перезаряд аккумулятора;
- тусклый свет внешней световой сигнализации;
- пульсации свечения ламп;
- значительное увеличение яркости свечения ламп при повышении оборотов;
- посторонние звуки, источником которых является генератор или привод.
Механические поломки
Распространенные неисправности механического характера:
- появление трещин на приводном шкиве;
- обрыв ремня привода;
- износ подшипников якоря, который приводит к заклиниванию генератора.
Трещины и сколы на шкиве обнаруживаются при визуальном осмотре узла. Острые кромки начинают разрушать приводной ремень, который может сойти со шкива по поврежденным кромкам. Поломанный или лопнувший шкив требуется заменить новым, ремонт узла невозможен. Новый шкив должен иметь такие же геометрические параметры, как и изношенный.
Поврежденные подшипники якоря начинают издавать при работе характерный свист. Затягивать с ремонтом не следует, поскольку нарушается режим работы генератора из-за изменения зазора между якорем и статором. В итоге якорь может заклинить, что приведет к обрыву ремня и повреждениям щеток и обмотки.
Электрические поломки
Поломки электрической части генераторов:
- истирание токосъемных щеток;
- протирание коллекторной части ротора генератора;
- выход из строя регулятора напряжения;
- межвитковые замыкания обмотки статора;
- выгорание выпрямительного диодного моста;
- разрушение соединительной проводки;
- обгорание или окисление мест подключения проводки.
Для проверки работоспособности генератора применяется мультиметр или вольтметр, предназначенный для измерения постоянного напряжения 0-20 В. Перед началом замеров рекомендуется прогреть агрегат, дав ему поработать 10-15 минут при холостых оборотах двигателя и работающем потребителе (например, ближнем свете фар). Замер напряжения между положительной клеммой генератора и массой автомобиля должен показать значение в пределах 13,5-14,5 В. Более точная информация имеется в инструкции по ремонту и обслуживанию машины. При отклонении напряжения от норматива требуется замена реле-регулятора.
Проверка напряжения на клеммах батареи позволяет обнаружить повреждения соединительной проводки. Для полноценного замера требуется увеличить обороты двигателя до высоких и подключить мощные потребители энергии (например, дальний свет фар, обогревы стекол и сидений). В этом случае напряжение должно быть близким к значению на реле-регуляторе. В противном случае требуется провести проверку проводов и точек подключения.
Исправность диодного моста проверяется путем установки мультиметра на положительный вывод генератора и массу в режиме замера переменного тока. Значение напряжения должно находиться в пределах до 0,5 В. Более высокое напряжение является признаком неисправности диодного моста.
Процесс замены генератора на Форд Фокус 2 показан в видео, предоставленном каналом “Азбука Форд”.
Замер пробоев обмоток генератора производится при отключенном аккумуляторе и отсоединенной от положительной клеммы устройства проводке. Тестер, переключенный в режим амперметра, подключается между клеммой и проводкой. Допустимым считается значение до 0,5 мА. При повышенном токе возможен пробой деталей диодного моста либо обмоток.
Для проверки обмоток возбуждения необходимо снять генератор с автомобиля. Работы ведутся при удаленном регуляторе напряжения и щеточном узле. Перед началом проверки контактные кольца очищаются от грязи. Тестирование выполняется мультиметром, переведенным в режим омметра. Подключение ведется к контактным кольцам. Нормальное значение сопротивления находится в интервале 5-10 Ом. Для замера пробоя на массу омметр цепляется к кольцам и корпусу. В исправном состоянии значение сопротивления будет бесконечным, при иных значениях – имеется пробой.
Проблемы при оплате банковскими картами
Иногда при оплате банковскими картами Visa / MasterCard могут возникать трудности. Самые распространенные из них:
- На карте стоит ограничение на оплату покупок в интернет
- Пластиковая карта не предназначена для совершения платежей в интернет.
- Пластиковая карта не активирована для совершения платежей в интернет.
- Недостаточно средств на пластиковой карте.
Для того что бы решить эти проблемы необходимо позвонить или написать в техническую поддержку банка в котором Вы обслуживаетесь. Специалисты банка помогут их решить и совершить оплату.
Вот, в принципе, и все. Весь процесс оплаты книги в формате PDF по ремонту автомобиля на нашем сайте занимает 1-2 минуты.
Что входит в электросхему?
Блок Фокуса с обозначением компонентов
Назначение деталей блока
Электрическая схема автомобилей Форд Фокус 1, 2, 3, 4, Форд Транзит, Форд Скорпио включает в себя множество различных узлов. Основными компонентами, питающими сеть электрооборудования, являются, как известно, аккумулятор и генераторное устройство. Система зажигания устроена таким образом, что передача искры для воспламенения горючей смеси осуществляется по высоковольтным проводам. Ниже вы сможете найти схемы и обозначения основных узлов.
Как и любой другой автомобиль, Форд Мондео 1, Фокус 1, 2, 3, 4, рестайлинг оборудуется блоком предохранителей, элементы которого позволяют защитить электрооборудование авто от скачков напряжения. Но помимо основного БП, Фокус 4, 3 или любой другой также оснащается еще одним блоком, в котором установлены реле.
Электросхема блока с реле
Обозначение реле
Без системы зажигания запустить двигатель не получится, поэтому предлагаем ознакомиться со схемой ее подключения и обозначения основных компонентов.

Также следует выделить ЭСУД — электронную систему управления мотором.

Не менее важным моментом, с которым должен быть знаком любой фокусовод, является схема подключения генераторного устройства. Как сказано выше, от функционирования этого девайса зависит многое, поэтому знать о его подключении в любом случае нужно.























































