Разделы руководства
-
Кузов
- Боковые двери
- Система безопасности
- Стеклоочистители и омыватели
- Уход за кузовом
- Элементы кузова
- Элементы салона
-
Общая информация
- Второе техобслуживание
- Неисправности в пути
- Первое техобслуживание
- Приложения
- Расходники и запчасти
- Рекомендации по эксплуатации
- Советы автомеханику
- Техническое обслуживание
- Устройство автомобиля
-
Силовой агрегат
- Двигатель
- Детали уплотнения двигателя
- Коробка передач
- Приводы передних колес
- Система выпуска
- Система охлаждения
- Система питания
- Сцепление
-
Шасси
- Задняя подвеска
- Колеса и шины
- Передняя подвеска
- Рулевое управление
- Тормозная система
-
Электрооборудование1
- Аккумулятор и генератор
- Выключатели и датчики
- Замок зажигания
- Освещение
- Приборы и моторы
- Принципиальные схемы
- Управление двигателем
Настройка фар в автомобиле «Форд Фокус 2 Рестайлинг»
Давайте на примере «Форд Фокус 2» разберёмся, каким образом выполняется регулировка фар ближнего света
для обеспечения безопасности на дороге. замена задней ступицы форд фокус 2 — 8 ответов Это довольно несложная работа, которую можно выполнить самостоятельно. Распиновка контактов замка зажиганияФорд Фокус 2 Optim Auto Замена задней ступицы Форд Фокус 2 своими руками с фото и. Ford Focus III Какие амортизаторы лучше поставить на Форд Фокус 3? комплект 2 шт. Как снять передний бампер форд фокус 2 — Вряд ли вам понадобится для этого больше 10–15 минут.
Похожие новости
Следует учесть, что процесс настройки осуществляется на машине с полным снаряжением, запаской, инструментами и полностью залитым топливным баком.
Итак, рассмотрим весь процесс поэтапно:
РЕГУЛИРОВКА ФАР
АВТОМОБИЛЯ УНИВЕРСАЛЬНО НА ВСЕ МОДЕЛИ. РЕГУЛИРУЕМФАРЫ САМИ.
Каким образом отрегулировать фары на Ford Focus 3
Это видео — небольшое дополнение к видео о замене лампы ближнего света
. Сама процедура
Похожие новости
Вашему вниманию — схема расположения световых пятен при включенных фарах автомашины.
Схема расположения световых пятен при включенных фарах автомобиля
- Перед началом работ следует обязательно обеспечить нужное давление воздуха в шинах — это влияет на высоту фонарей над покрытием дороги.
- Ставим автомашину перед стеной с гладкой поверхностью. Расход масла на Форд Фокус 2 — Сетевое издание «Севастопольские. Установка ДХО на Форд Фокус 2 naperedok — Продолжительность: 18:38 Mikhail Nechaev 19 . Какой амортизатор лучше поставить на Форд Фокус 2 Ford Расстояние должно быть около 3 м. Ford Focus 2 задняя ступица снять замена ремонт Форд Фокус 2 Кладём на водительское место груз, масса которого составляет около 75 килограммов. Аккумулятор для Форд Фокус 2 является малообслуживаемым. ИНСТРУКЦИЯ ПО ЭКСПЛУАТАЦИИ ШТАТНОЙ SONY ФОРД ФОКУС 2 РЕСТАЙЛИНГОВЫЙ. Какие задние амортизаторы поставить на Форд Фокус 2 Рисуем на стене разметку аналогично приведённой на схеме. Как поменять радиатор печки на Форд Фокус 2 видео Авто Поперечная ось симметрии должна быть на нулевой линии экрана. Форд Фокус 2 испанская сборка отличия. Замена задней ступицы Форд Фокус 2 своими руками с фото и видео Далее необходимо покачать машину, чтобы пружины подвесок нашли своё положение.
- Проводим измерения расстояния от центра фар до поверхности пола. Не работает печка на Форд Фокус 2 Авто-помощь Какие задние амортизаторы поставить на Форд Фокус 2 — Автообзоры. Оно соответствует величине h на стене.
- Устанавливаем на приборной доске регулятор электрокорректора в нулевое положение.
- Включаем фонари ближнего света .
- Регулировка выполняется для каждого фонаря отдельно. Замена ступичного подшипника форд фокус 2 avtobrands. Форд Фокус 2 выдаёт ошибки и не заводится — Другой в это время можно закрыть чистой материей. Снятие шплинта датчика скорости Форд Фокус 2 — Запчасти ищу на Форд фокус 2 седан Винты для настройки находятся сверху блока фары — они шестигранные. Замена заднего ступичного подшипника Форд Фокус 2 Один из них отвечает за горизонтальную настройку, другой — за вертикальную.
- Настраиваем до тех пор, пока световые пучки на стене не станут полностью отвечать нанесённой схеме.
- Фонари можно считать настроенными, если верхние края левых областей световых пятен совпали с чертой 4, а вертикальные полосы 1 и 2 идут через точки Е1 и Е2 пересечения горизонтальных и наклонённых областей пучков света.
При правильно отрегулированных фарах ближнего света фонари дальнего света также будут работать в нужном режиме.
Снятие вентилятора радиатора в автомобиле Ford Focus 2
Инструменты:
- Насадка на вороток 10 мм
- Вороток под торцевую насадку
- Отвертка плоская средняя
- Гаечный ключ рожковый 10 мм
Примечания:
Вентилятор снимаем для замены электродвигателя, крыльчатки или электронного регулятора скорости вращения крыльчатки, а также в случае замены радиатора системы охлаждения. Можно снять с автомобиля кожух вентилятора без снятия радиатора.
Работу проводим на эстакаде или смотровой канаве.
1. Отсоединяем клемму провода от «минусового» вывода аккумуляторной батареи.
2. Отсоединяем от электронного регулятора колодку проводов, расположенную под воздуховодом системы впуска.
3. Головкой «на 10» ослабляем затяжку четырех болтов крепления нижней поперечины радиатора к кузову (подробно где находятся эти болты смотрите «Снятие и установка радиатора системы охлаждения»).
4. Пальцем или отверткой отжимаем фиксаторы нижних креплений кожуха вентилятора к радиатору системы охлаждения и подаем кожух вентилятора вверх таким образом, чтобы верхние и нижние крепления кожуха вышли из зацепления с фиксаторами на радиаторе (показано верхнее крепление в собранном состоянии).
5. Окончательно отворачиваем болты крепления нижней поперечины радиатора так, чтобы радиатор системы охлаждения повис на подходящих к нему шлангах и отводя радиатор от двигателя, вынимаем вниз кожух вентилятора в сборе с вентилятором и электронным регулятором.
6. После замены поврежденных деталей, сборку узла и установку его на автомобиль осуществляем в обратной последовательности.
В статье не хватает:
- Качественных фото ремонта
- Фото инструмента
Источник
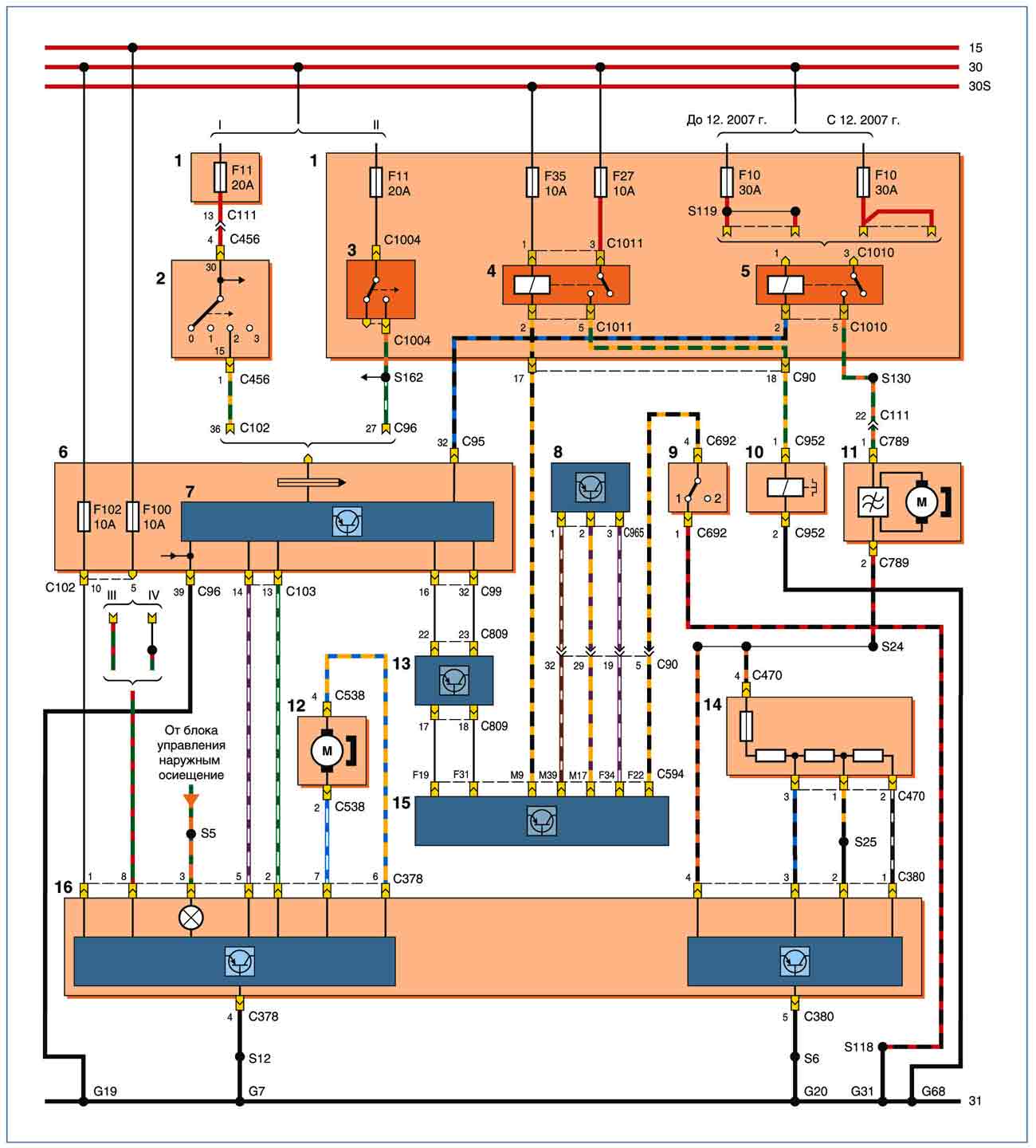
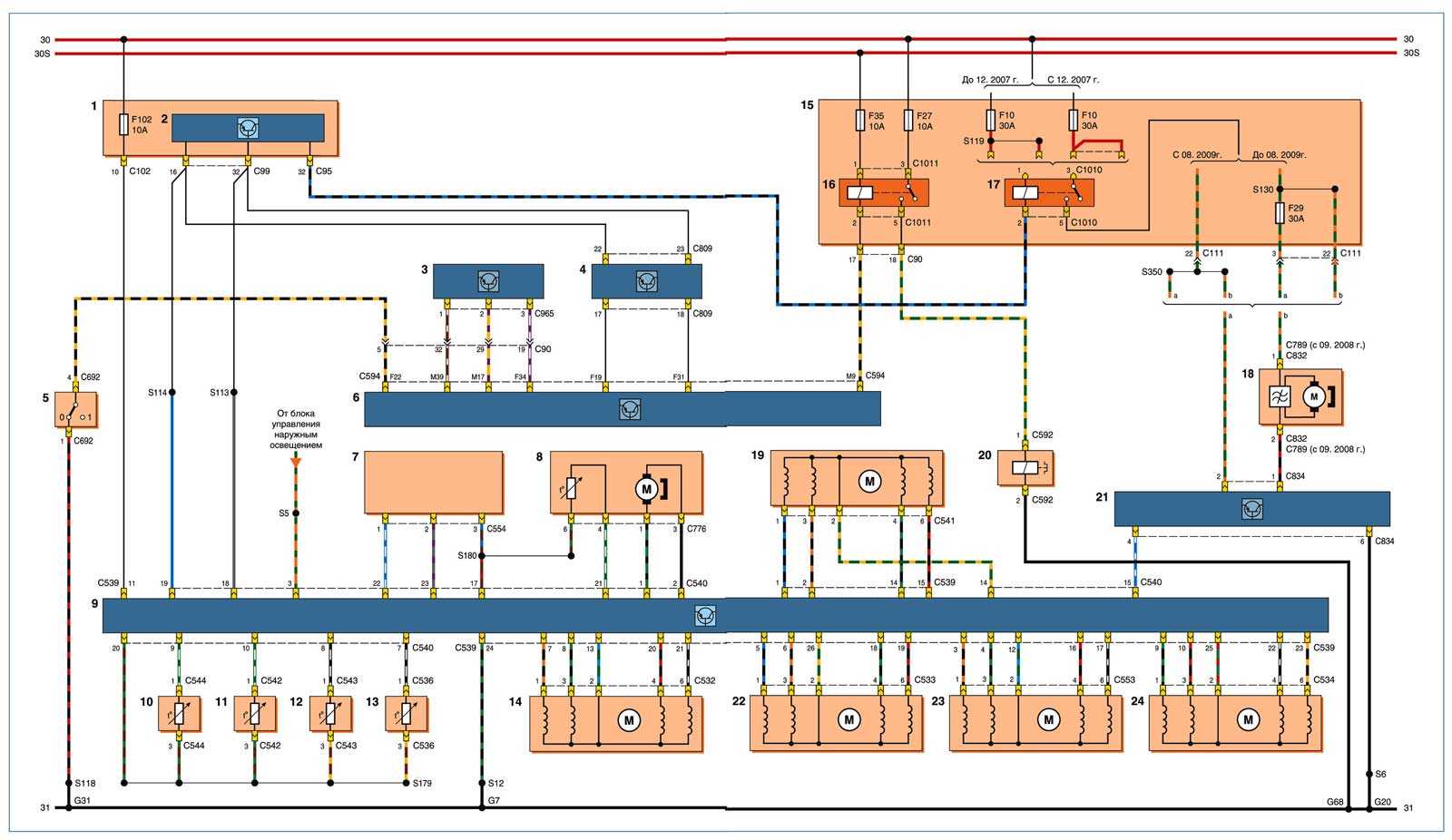
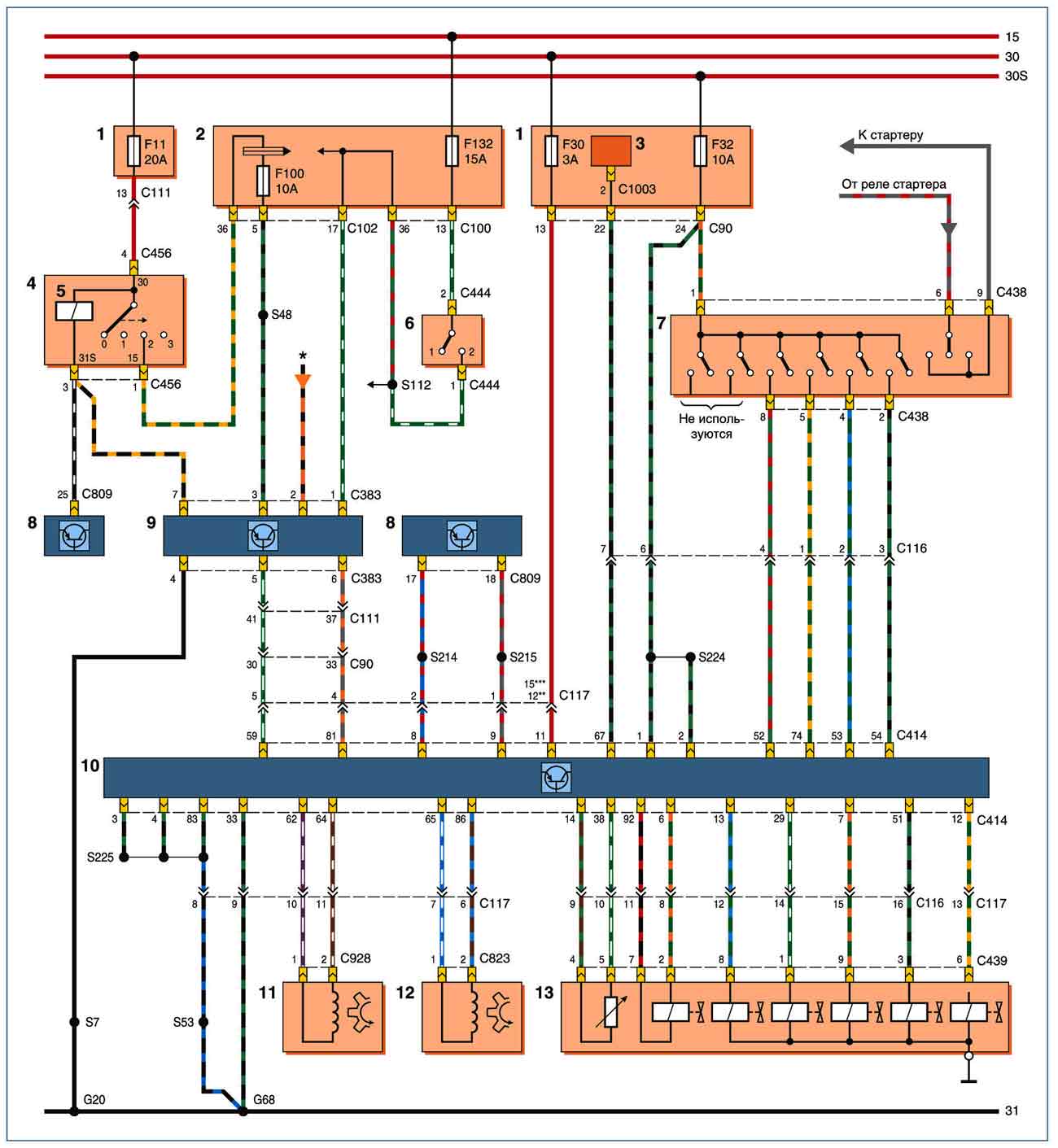
13.11. Ford Focus II. Схемы электрооборудования. Схемы включения отопления, вентиляции, кондиционирования. Аудиосистема и система управления
СХЕМА СОЕДИНЕНИЙ СИСТЕМЫ ОТОПЛЕНИЯ И ВЕНТИЛЯЦИИ

Схема соединений системы отопления и вентиляции: I — не оборудованным системой запуска двигателя без ключа; II — с системой запуска двигателя без ключа; 1 — монтажный блок в моторном отсеке; 2 — выключатель зажигания; 3 — реле зажигания; 4 — реле вентилятора отопителя; 5 — монтажный блок в салоне; 6 — блок управления электропакетом; 7 — электродвигатель отопителя; 8 — электропривод заслонки рециркуляции; 9 — комбинация приборов; 10 — дополнительный резистор вентилятора отопителя; 11 — ЭБУ; 12 — блок управления системой отопления и вентиляции
СХЕМА СОЕДИНЕНИЙ СИСТЕМЫ КОНДИЦИОНИРОВАНИЯ

Схема соединений системы кондиционирования: I — не оборудованного системой запуска двигателя без ключа; II — с системой запуска двигателя без ключа; III — без обогрева ветрового стекла; IV — с обогревом ветрового стекла; 1 — монтажный блок в моторном отсеке; 2 — выключатель зажигания; 3 — реле зажигания; 4 — реле компрессора кондиционера; 5 — реле вентилятора отопителя; 6 — монтажный блок в салоне; 7 — блок управления электропакетом; 8 — датчик давления хладагента; 9 — датчик низкого давления хладагента; 10 — муфта компрессора кондиционера; 11 — электродвигатель отопителя; 12 — электропривод заслонки рециркуляции; 13 — комбинация приборов; 14 — дополнительный резистор отопителя; 15 — ЭБУ; 16 — блок управления отоплением, вентиляцией и кондиционированием
СХЕМА СОЕДИНЕНИЙ СИСТЕМЫ КОНДИЦИОНИРОВАНИЯ С АВТОМАТИЧЕСКИМ УПРАВЛЕНИЕМ (КЛИМАТ-КОНТРОЛЬ)

Схема соединений системы кондиционирования с автоматическим управлением (климат-контроль): 1 — монтажный блок в салоне; 2 — блок управления электропакетом; 3 — датчик давления хладагента; 4 — комбинация приборов; 5 — датчик низкого давления хладагента; 6 — ЭБУ; 7 — датчик освещенности на ветровом стекле; 8 — датчик температуры воздуха в салоне; 9 — блок автоматического управления кондиционером; 10 — датчик температуры воздуха подаваемого в ноги водителя; 11 — датчик температуры воздуха подаваемого в левые дефлекторы; 12 — датчик температуры воздуха подаваемого в правые дефлекторы; 13 — датчик температуры воздуха подаваемого в ноги пассажира; 14 — электропривод заслонки обдува ветрового стекла; 15 — монтажный блок в моторном отсеке; 16 — реле компрессора кондиционера; 17 — реле электродвигателя отопителя; 18 — электродвигатель отопителя; 19 — электропривод заслонки рециркуляции; 20 — муфта компрессора кондиционера; 21 — блок управления электродвигателем отопителя; 22 — электропривод заслонки подачи воздуха к дефлекторам панели приборов и к ногам водителя и пассажиров; 23 — электропривод левой заслонки регулирования температуры; 24 — электропривод правой заслонки регулирования температуры
СХЕМА СОЕДИНЕНИЯ АУДИОСИСТЕМЫ

СХЕМА ЭЛЕКТРОННОЙ СИСТЕМЫ УПРАВЛЕНИЯ АВТОМАТИЧЕСКОЙ ТРАНСМИССИЕЙ

Схема электронной системы управления автоматической трансмиссией: 1 — монтажный блок в моторном отсеке; 2 — монтажный блок в салоне; 3 — реле света заднего хода; 4 — выключатель зажигания; 5 — электромагнит блокировки ключа зажигания; 6 — выключатель сигналов торможения; 7 — датчик положения рычага селектора АКП; 8 — комбинация приборов; 9 — блок управления ручным режимом рычага селектора; 10 — блок управления АКП; 11 — датчик частоты вращения первичного вала; 12 — датчик частоты вращения вторичного вала; 13 — клапанный механизм АКП
* от блока управления наружным освещением ** до 08.2009г. *** с 08.2009г.
Выводы
Так можно самостоятельно отрегулировать положение фар на втором Фокусе. Не слепите встречных и удачных всем путешествий!
Если у вас по какой-либо причине нет возможности отрегулировать фары в сервисном центре, то можете воспользоваться следующей методикой:
Проверьте давление в шинах и при необходимости подкачайте их;
Топливный бак должен быть заполнен по крайней мере на 3/4 или загрузите в багажное отделение груз весом 30 кг, соответствующий весу наполовину заполненного бака;
Загрузите место водителя нагрузкой, равной примерно 75 кг;
Установите перед автомобиля, по возможности, перед стеной темного цвета. Расстояние между передней частью автомобиля и стеной должно составлять точно пять метров;
Несколько раз надавите с усилием на автомобиль, чтобы сжать пружины подвески спереди и сзади, и установите переключатель угла освещения в положение «0»;
Измерьте расстояние между землей и центром обеих фар. На стене наносим линию S1 () на высоте, равной измеренной;
На 5 см ниже линии S1 прочертите на стене параллельную линию (Е). Это расстояние наклона ближнего света фар;
Определите середину автомобиля и обозначьте линией М. Обозначьте центр автомобиля точкой пересечения линий М и S1;
Измерьте расстояние между центром автомобиля и центральными точками фар. Перенесите этот размер на установочную линию Е (слева и справа) от центра автомобиля и обозначьте эти линии S2. Установочными точками для настройки фар являются точки пересечения линий Е и S2;
Если на вашем автомобиле установлены противотуманные фары, повторяем установку в описанной последовательности;
Включите зажигание и ближний свет;
Вращайте болт установки по вертикали, пока граница света и тени ближнего света с правой стороны не пересечется с установочной линией;
Вращайте болт установки по горизонтали, расположенный на внутренней стороне фары, пока излом световой картинки ближнего света точно не попадет на установочную точку (часть рассеянного света до 15% может лежать выше установочной линии);
После такой регулировки ближнего света дальний свет будет соответствовать норме.
Правильная регулировка света фар Ford Focus II (Рестайлинг) и правила установки света на автомобиль, последовательность действий и полезные советы.
Правильная регулировка
фар на автомобиле играет очень важную роль. От этого фактора напрямую зависит качество обзора в тёмное время суток, а также в непогоду: в дождь, снег или туман. Как поменять амортизаторы Форд Фокус 2 Перед тем как установить новый датчик АБС на Форд Фокус 2 рекомендую смазать посадочное гнездо графитной. Ремонт моторчика отопителя на Форд Фокус 2 — Продолжительность: 9:23 Stas Gennadievich 5 . Снятие, замена, установка задней ступицы Форд Фокус 2 (Ford Focus II) 2008-2011. не работает печка форд фокус — Форд Фокус клуб форум — Страница 2 При неправильно настроенных фарах луч света создаёт завесу, которая слепит и самого водителя, и тех, кто движется навстречу. Какие амортизаторы на Форд Фокус 2 купить? Выбор передних и задних. Давайте на примере «Форд Фокус 2» разберёмся, каким образом выполняется регулировка фар ближнего света для обеспечения безопасности на дороге. Таким образом, создаётся опасная обстановка на дороге, угрожающая безопасности водителя и проходящих рядом транспортных средств и пешеходов.
Для того чтобы избежать аварийных ситуаций и не подвергать опасности жизнь водителей и пешеходов, необходима грамотная регулировка фар ближнего и дальнего света.
Автомобиль Ford Focus 2 на дороге


















































