13.12. Ford Focus II. Схемы электрооборудования. Схема соединений комбинации приборов
Схема соединений комбинации приборов (начало): I — не оборудованный системой запуска двигателя без ключа; II — с системой запуска двигателя без ключа; 1 — выключатель зажигания; 2 — монтажный блок в моторном отсеке; 3 — реле зажигания; 4 — монтажный блок в салоне; 5 — блок управления электропакетом; 6 — датчик уровня тормозной жидкости; 7 — датчик температуры наружного воздуха; 8 — выключатель сигнализатора включения стояночного тормоза и недостаточного уровня жидкости в бачке гид- ропривода тормозов и сцепления; 9 — комбинация приборов; 10 — спидометр; 11 — указатель температуры охлаждающей жидкости; 12 — тахометр; 13 — указатель уровня топлива; 14 — сигнализатор опасности обледенения дорожного покрытия; 15 — сигнализатор включения стояночного тормоза и недостаточного уровня жидкости в бачке гидроприводов тормозов и сцепления; 16 — сигнализатор неисправности усилителя рулевого управления; 17 — сигнализатор достижения максимальных оборотов двигателя; 18 — датчик недостаточного давления масла; 19 — ЭБУ; 20 — датчик указателя уровня топлива; 21 — топливный насос; 22 — сигнализатор неисправности ABS; 23 — сигнализатор неисправности ESP; 24 — сигнализатор неисправности автоматической коробки передач; 25 — сигнализатор круиз-контроля; 26 — сигнализатор отсутствия заряда аккумуляторной батареи; 27 — сигнализатор недостаточного (аварийного) давления масла в двигателе; 28 — сигнализатор низкого уровня топлива в баке; 29 — сигнализатор неисправности системы управления двигателем; 30 — блок управления ABS; 31 — блок управления усилителем рулевого управления
* с ESP
Схема соединений комбинации приборов (продолжение): I — не оборудованный системой запуска двигателя без ключа; II — с системой запуска двигателя без ключа; III — без дверных блоков управления; IV — с дверными блоками управления; 1 — выключатель зажигания; 2 — монтажный блок в моторном отсеке; 3 — реле зажигания; 4 — монтажный блок в салоне; 5 — блок управления электропакетом; 6 — комбинация приборов; 7 — блок управления комбинацией приборов; 8 — сигнализатор незакрытых дверей; 9 — сигнализатор состояния иммобилайзера; 10 — датчик положения педали сцепления; 11 — датчик положения педали тормоза; 12 — блок управления системой запуска двигателя без ключа; 13 — датчик положения педали «газа»; 14 — блок управления противоугонной системой; 15 — концевой выключатель в замке левой передней двери; 16 — концевой выключатель в замке правой передней двери; 17 — концевой выключатель в замке левой задней двери; 18 — концевой выключатель в замке правой задней двери; 19 — электропривод замка крышки (двери) багажника; 20 — блок управления левой передней двери; 21 — блок управления правой передней двери; 22 — блок управления левой задней двери; 23 — блок управления правой задней двери
* с 12. 2007г.
Схема соединений комбинации приборов (продолжение): 1 — монтажный блок в салоне; 2 — блок управления электропакетом; 3 — блок управления наружным освещением; 4 — левый подрулевой переключатель; 5 — комбинация приборов; 6 — подсветка комбинации приборов; 7 — сигнализатор включения наружного освещения; 8 — сигнализатор включения дальнего света фар; 9 — сигнализатор включения указателей левого поворота; 10 — сигнализатор включения указателей правого поворота; 11 — сигнализатор включения ламп противотуманного света в задних фонарях; 12 — сигнализатор включения противотуманных фар
Схема соединений комбинации приборов (продолжение): 1 — монтажный блок в моторном отсеке; 2 — выключатель зажигания; 3 — монтажный блок в салоне; 4 — блок управления усилителем рулевого управления; 5 — рычаг селектора АКП; 6 — комбинация приборов; 7 — сигнализатор непристегнутого ремня безопасности; 8 — сигнализатор неисправности подушки безопасности; 9 — блок управления подушками безопасности; 10 — выключатель сигнализатора непристегнутого ремня безопасности водителя; 11 — выключатель сигнализатора непристегнутого ремня безопасности пассажира; 12 — датчик пассажира на переднем сиденьи
Схема соединений комбинации приборов (окончание): I — не оборудованный системой запуска двигателя без ключа; II — с системой запуска двигателя без ключа; 1 — монтажный блок в моторном отсеке; 2 — выключатель зажигания; 3 — реле зажигания; 4 — монтажный блок в салоне; 5 — головное устройство звуковоспроизведения; 6 — комбинация приборов; 7 — дисплей; 8 — левый подрулевой переключатель; 9 — датчик уровня жидкости в бачке омывателя
13.8. Ford Focus II. Схемы электрооборудования. Схемы включения центрального замка
СХЕМА СОЕДИНЕНИЙ ЦЕНТРАЛЬНОГО ЗАМКА
Схема соединений центрального замка: 1 — монтажный блок в моторном отсеке; 2 — монтажный блок в салоне; 3 — реле блокировки дверей; 4 — блок управления электропакетом; 5 — блок дистанционного управления; 6 — электропривод замка багажника; 7 — выключатель замка багажника; 8 — электропривод замка левой задней двери; 9 — электропривод замка правой задней двери; 10 — реле разблокировки дверей; 11 — реле разблокировки двери водителя; 12 — электропривод замка крышки лючка топливного бака; 13 — электропривод замка правой передней двери; 14 — электропривод замка левой передней двери
* хэтчбек и универсал с 12. 2007г.
СХЕМА СОЕДИНЕНИЯ ЦЕНТРАЛЬНОГО ЗАМКА С ФУНКЦИЕЙ УПРАВЛЕНИЯ СТЕКЛОПОДЪЁМНИКАМИ
Схема соединений центрального замка с функцией управления стеклоподъемниками: 1 — монтажный блок в моторном отсеке; 2 — монтажный блок в салоне; 3 — блок управления электропакетом; 4 — блок дистанционного управления; 5 — блок управления левой задней двери; 6 — блок управления правой задней двери; 7 — электропривод замка багажника; 8 — выключатель замка багажника; 9 — электропривод замка левой задней двери; 10 — электропривод замка правой задней двери; 11 — реле блокировки две рей; 12 — реле разблокировки двери водителя; 13 — электропривод замка крышки лючка топливного бака; 14 — блок управления левой передней двери; 15 — блок управления правой передней двери; 16 — электропривод замка левой передней двери; 17 — электропривод замка правой передней двери
* хэтчбек и универсал с 12. 2007г.
СХЕМА СОЕДИНЕНИЙ ЦЕНТРАЛЬНОГО ЗАМКА С ДВОЙНОЙ БЛОКИРОВКОЙ
Схема соединений центрального замка с двойной блокировкой: 1 — монтажный блок в моторном отсеке; 2 — монтажный блок в салоне; 3 — реле блокировки дверей; 4 — реле двойной блокировки; 5 — блок управления электропакетом; 6 — блок дистанционного управления; 7 — электропривод замка багажника; 8 — выключатель замка багажника; 9 — электропривод замка левой задней двери; 10 — электропривод замка правой задней двери; 11 — реле разблокировки дверей; 12 — реле разблокировки двери водителя; 13 — электропривод замка крышки лючка топливного бака; 14 — электропривод замка правой передней двери; 15 — электропривод замка левой передней двери
* хэтчбек и универсал с 12. 2007г.
СХЕМА СОЕДИНЕНИЙ ЦЕНТРАЛЬНОГО ЗАМКА С ФУНКЦИЕЙ УПРАВЛЕНИЯ СТЕКЛОПОДЪЁМНИКАМИ И ДВОЙНОЙ БЛОКИРОВКОЙ
Схема соединений центрального замка с функцией управления стеклоподъемниками и двойной блокировкой: 1 — монтажный блок в моторном отсеке; 2 — монтажный блок в салоне; 3 — блок управления электропакетом; 4 — блок дистанционного управления; 5 — блок управления левой задней двери; 6 — блок управления правой задней двери; 7 — электропривод замка багажника; 8 — выключатель замка багажника; 9 — электропривод замка левой задней двери; 10 — электропривод замка правой задней двери; 11 — реле блокировки дверей; 12 — реле разблокировки двери водителя; 13 — электропривод замка крышки лючка топливного бака; 14 — блок управления левой передней двери; 15 — блок управления правой передней двери; 16 — электропривод замка левой передней двери; 17 — электропривод замка правой передней двери
* хэтчбек и универсал с 12. 2007г.
Схемы электрооборудования автомобилей Форд Фокус 2 ( Ford Focus 2 )
Для удобства поиска в пределах страницы, фрагмента схемы, ниже представлены ссылки. Возврат на начало страницы, клавиши Ctrl+Home.
- Схема соединений генератора и пуска двигателя. Лист 1
- Схема соединений генератора и пуска двигателя. Лист 2
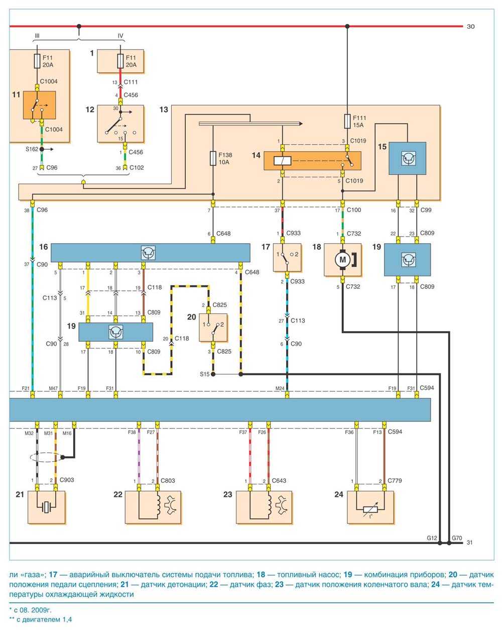
- Электронная система управления двигателем. Лист 1
- Электронная система управления двигателем. Лист 2
- Система зажигания
- Схема подключения форсунок и вентилятора охлаждения
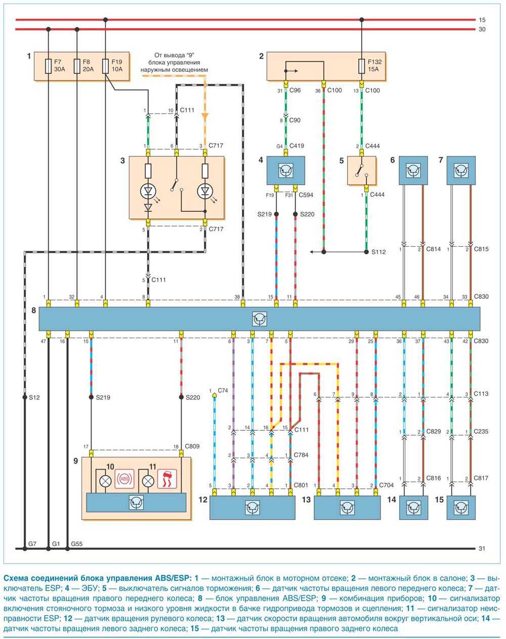
- Блок управления ABS/ESP. Лист 1
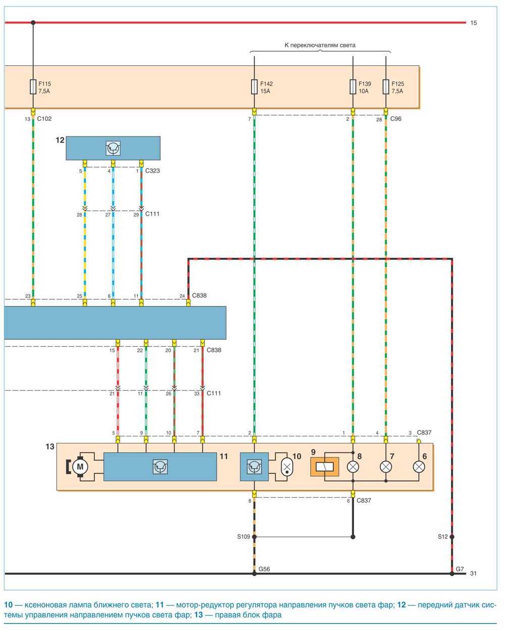
- Блок управления ABS/ESP. Лист 2. Начало схемы адаптивного освещения
- Адаптивное освещение. Лист 2
- Адаптивное освещение. Лист 3
- Блок фар с ксеноном. Лист 1
- Блок фар с ксеноном. Лист 2
- Габаритный свет
- Система автоматического включения габаритов
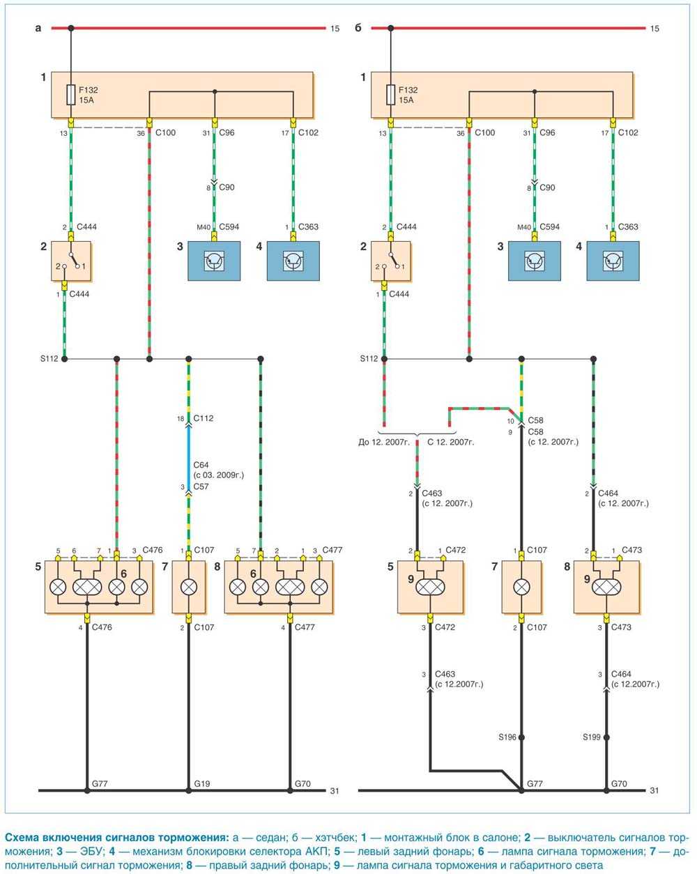
- Сигналы торможения
- Указатели поворота и аварийная сигнализация. Лист 1
- Указатели поворота и аварийная сигнализация. Лист 2
- Монтажный блок в моторном отсеке
- Предохранители монтажного блока в моторном отсеке
- Реле в монтажном блоке моторного отсека
- Монтажный блок в салоне
Схема соединений генератора и пуска двигателя. Лист 1
Схема соединений генератора и пуска двигателя. Лист 2

Электронная система управления двигателем. Лист 1

Электронная система управления двигателем. Лист 2


Схема подключения форсунок и вентилятора охлаждения

Блок управления ABS/ESP. Лист 1

Блок управления ABS/ESP. Лист 2. Начало схемы адаптивного освещения

Адаптивное освещение. Лист 2

Адаптивное освещение. Лист 3

Блок фар с ксеноном. Лист 1

Блок фар с ксеноном. Лист 2


Система автоматического включения габаритов


Указатели поворота и аварийная сигнализация. Лист 1

Указатели поворота и аварийная сигнализация. Лист 2
Монтажный блок в моторном отсеке
Предохранители монтажного блока в моторном отсеке
Реле в монтажном блоке моторного отсека
VESKO-TRANS.RU
АвтоНовости / Обзоры / Тесты
Снятие Замка Зажигания Форд Фокус 2
Разведение и установка замка зажигания (блокировки)
б. Снятие, замена, установка замка зажигания Ford Focus 2 2. Снятие и установка рестайлингового выключателя Ford Focus 2 и 2. Вставьте ключ в выключатель и верните его в положение «I».
7. Вставьте штифт в отверстие в нижней части корпуса переключателя, нажмите на защелку.
8. и снимите цилиндр замка с корпуса.
9. Замените детали в обратном порядке.
Снятие и установка замка зажигания
Выключатель зажигания (замок) установлен на контрольной колонне и закреплен 2 винтами с самонарезающими головками, поэтому для замены болтов необходимо снять зубило или дрель с помощью электрической дрели. Снятие и замена фары для Ford Focus 2. Снятие, замена, установка замка зажигания Ford Focus 2 (Ford Focus II) руками с фото и видео ручным управлением Переключатель зажигания (замок) можно заменить, не снимая контрольную колонку , но вы можете удалить его для удобства (см.Разведение и установка контрольной колонки «, стр. 192).
Вам понадобятся: плоскогубцы (желательно сварочный зажим), зубило, молоток, отвертка с плоским лезвием.
1. Снятие переднего бампера Ford Focus 2. Отсоедините провод от отрицательной клеммы аккумулятора.
2. Снимите выключатель рулевой колонки с разъемом (см. «Замена выключателей рулевой колонки», стр. 249).
3. С помощью отвертки вытащите фиксатор антенны иммобилайзера.
НАБЛЮДЕНИЯ ЗАЖИГАНИЯ.
https://youtube.com/watch?v=oayEPqn_tks
Канал Auto_Repont поможет вам самостоятельно устранить неисправности вашего автомобиля.
4. Переместите устройство в сторону
5. Сожмите замок
6. Отсоедините блок от блока и снимите блок антенны иммобилайзера.
7. Инструкции по снятию, замене, установке замка зажигания Ford Focus 2 2008-2011. Сделайте снимки и видео самостоятельно. Сожмите защелку и отсоедините блок жгута проводов от контактной группы выключателя, см. «Замена контактов группы переключателей»замок) зажигания «, стр. 232.
8. Снятие руля с форда 2. Поверните направо крепежный болт включите, ударяя молотком по долото по касательной против часовой стрелки.
9. Прикуриватель Ford Focus 2 и розетки, почему работает прикуриватель, не работает. Поверните налево с помощью сварочного зажима (или плоскогубцы) крепежный болт.
10. и снимите выключатель зажигания в сборе с контактной группой.
11. Замените детали в обратном порядке.
Автомобили Ford Focus II оснащены двигателями с электронной системой впрыска топлива. После замены сцепления сцепление Ford Focus 2 является заменой сцепления Ford. Эта система соответствует современным стандартам выбросов и испарения, сохраняя при этом высокую производительность и низкий расход топлива.
Блок управления системой представляет собой электронный блок управления (ЭБУ). На основании информации, полученной от датчиков, компьютер рассчитывает параметры контроля впрыска топлива и контроля момента зажигания. Кроме того, согласно алгоритму электронный блок контролирует работу двигателя вентилятор Двигатель и электромагнитная муфта включают компрессор кондиционера, выполняют функцию самодиагностики элементов системы и уведомляют водителя о любых неисправностях.
В случае выхода из строя отдельных датчиков и исполнительных механизмов, ECU включает аварийные режимы для обеспечения работы двигателя.
Количество топлива, подаваемого форсунками, определяется длительностью электрического сигнала от компьютера. Работа по снятию обшивки задней двери на Ford Focus 2 проводится при замене стеклоподъемника, стекла, внутреннего дверного замка. Электронный блок контролирует данные о состоянии двигателя, рассчитывает потребность в топливе и определяет требуемую продолжительность работы топливной форсунки (длительность сигнала). топливный фильтр Ford Focus 2 должен быть заменен своевременно, и это также делается во время технического обслуживания. Замена лампочек Ford Focus 2 не обязательно снимает фару Ford Focus 2. Увеличить подачу топлива
Разделы руководства
-
Кузов
- Боковые двери
- Система безопасности
- Стеклоочистители и омыватели
- Уход за кузовом
- Элементы кузова
- Элементы салона
-
Общая информация
- Второе техобслуживание
- Неисправности в пути
- Первое техобслуживание
- Приложения
- Расходники и запчасти
- Рекомендации по эксплуатации
- Советы автомеханику
- Техническое обслуживание
- Устройство автомобиля
-
Силовой агрегат
- Двигатель
- Детали уплотнения двигателя
- Коробка передач
- Приводы передних колес
- Система выпуска
- Система охлаждения
- Система питания
- Сцепление
-
Шасси
- Задняя подвеска
- Колеса и шины
- Передняя подвеска
- Рулевое управление
- Тормозная система
-
Электрооборудование1
- Аккумулятор и генератор
- Выключатели и датчики
- Замок зажигания
- Освещение
- Приборы и моторы
- Принципиальные схемы
- Управление двигателем
8.2. Проверка генератора
На работающем двигателе доводим обороты коленчатого вала до 3000 мин-1 и включаем максимальное количество потребителей (дальний свет фар, элемент обогрева заднего стекла, электровентилятор отопителя и др.). Замеряем напряжение между выводом «30» генератора 37,3701 (выводом «+» генератора 58.3701) и корпусом генератора. Напряжение должно находиться в пределах 13,5-14,6 В. Если напряжение не укладывается в эти пределы, могут быть неисправны регулятор напряжения, щеточный узел, окислены контактные кольца обмотки возбуждения или одна из обмоток генератора замкнута на «массу».
Снятый регулятор напряжения генератора 58.3701 можно проверить, подключив лампу (1—3 Вт, 12В) между выводами «Ш» и «В», а металлическое основание регулятора — к «минусу источника питания постоянного тока. При подаче на выводы «Б» и «В» напряжения 12 В лампа должна гореть, а при подаче напряжения 15-16 В — погаснуть. Если лампа в обоих случаях не горит или горит постоянно, регулятор напряжения неисправен и требует замены. Для проверки регулятора напряжения генератора 37.3701 подсоединяем лампу (1-3 Вт, 12 В) к щеткам. К «массовому» контакту регулятора подсоединяем «минус» источника питания (постоянного тока). При подаче на вывод «В» напряжения 12 В лампа должна гореть, а при подаче напряжения 15-16 В — погаснуть. Если лампа в обоих случаях не горит или горит постоянно, регулятор напряжения неисправен и требует замены.
Схема проверки регулятора напряжения генератора 58.3701: 1 — аккумуляторная батарея; 2 — регулятор напряжения; 3 — контрольная лампа.
Схема проверки регулятора напряжения генератора 37.3701: 1 — аккумуляторная батарея; 2 — вывод «масса-регулятора напряжения; 3 — регулятор напряжения; 4 — вывод «Ш» регулятора; 5 — вывод «В» регулятора; 6 — контрольная лампа.
Проверка других узлов на генераторах 58.3701 и 37.3701 осуществляется практически аналогично (описана на примере генератора 37.3701).
Проверить исправность вентилей выпрямительного блока можно на автомобиле, предварительно отсоединив провода от аккумуляторной батареи, генератора и вывода регулятора напряжения. Подсоединяем «плюс» аккумуляторной батареи через лампу (1-3 Вт, 12 В) к выводу «30» генератора, а «минус» — к его корпусу. Если лампа горит, то в обоих блоках вентилей («положительном» и «отрицательном») — короткое замыкание.
Для проверки замыкания в блоке «положительных» вентилей «плюс» батареи через ту же лампу подсоединяем к выводу «30» генератора, а «минус» — к выводу одной из фазных обмоток статора или одному из болтов крепления выпрямительного блока. Если лампа горит, то один или несколько вентилей пробиты.
Для проверки замыкания в «отрицательных» вентилях «плюс» батареи через лампу соединяем с выводом одной из фазных обмоток статора, а «минус» — с корпусом генератора. Если лампа горит, пробиты один или несколько вентилей или обмотки замыкают на корпус генератора. Для проверки обмоток на замыкание снимаем генератор с автомобиля (см. «Снятие и разборка генератора 58.3701» и «Снятие и разборка генератора 37.3701» ) и отсоединяем обмотки от регулятора напряжения и выпрямительного блока. Исправность обмоток проверяем лампой или омметром. Вентили генератора можно также проверить омметром, подключая его вместо контрольной лампы и аккумуляторной батареи, как описано выше. Замыкание дополнительных вентилей генератора 37.3701 проверяем, подключая «плюс» батареи через лампу к выводу «61» генератора, а «минус» — к одной из фазных обмоток статора. Если пампа горит, один или несколько дополнительных вентилей пробиты. Неисправность каждого вентиля можно проверить лампой или омметром по отдельности (на снятом выпрямительном блоке). При выходе из строя одного или нескольких вентилей выпрямительный блок лучше заменить в сборе.
Точки подключения
| Цепь | Цвет провода | Полярность | Расположение |
| Масса | Черный | — | Блок предохранителей, нижний разъем |
| Питание +12 | Красный толстый | + | Блок предохранителей, зеленый разъем |
| Красный | + | Замок зажигания | |
| Зажигание 1 | Зелено белый | + | Блок предохранителей |
| Зелено желтый | + | Замок зажигания | |
| Аксессуары (АСС) | Желтый | + | Замок зажигания |
| Стартер | Серо черный | + | Горизонтальный жгут за бардачком (его же можно использовать для блокировки стартера) |
| Серо красный | + | Замок зажигания | |
| Габариты | Оранжево черный (,Бывает оранжево желтый) | + | Переключатель света |
| Поворотники 1 | Синий (где-то сине белый) | + | Блок предохранителей, зеленый разъем |
| Поворотники 2 | Сине красный | + | Блок предохранителей, зеленый разъем |
| Ц.З. (открыть) | Черно оранжевый | — | Блок предохранителей, оранжевый маленький разъем. |
| Ц.З. (закрыть) | Черно зеленый | — | |
| Концевик багажник | Черно красный | + | |
| Концевик двери водителя | Черно оранжевый | + | |
| Концевик передней правой двери | Черно синий | + | |
| Концевик задней левой двери | Черно желтый | + | |
| Концевик задней правой двери | Черно зеленый | + | |
| Открытие багажника | Черно желтый | — | |
| Концевик капота (если нет, ставим свой) | Черно желтый | + | Блок предохранитлей синий разъем. |
| Блокировка в салоне 1 | Зелено фиолетовый | + | Блок предохранителей |
| Блокировка под капотом | Зелено фиолетовый | + | Блок предохранителей под капотом |
| Педаль тормоза | Зелено белый | + | Коса к блоку. (либо на лягушке) |
| Ручник | Черно красный | — | Горизонтальный жгут за бардачком |
| Тахометр | Черно оранжевый | Катушка зажигания | |
| Контроль двигателя | Форсунка | ||
| Бензонасос | Зелено оранжевый | + | Правый порог |
| CAN — L | Синий | Блок предохранителей, маленький красный разъем | |
| CAN — H | Серый |
ЭБУ Форд Фокус 1 – какие функции выполняет
ЭБУ на автомобилях Форд Фокус 2 выполняет следующие функции:
- управляет подачей воздуха при пуске двигателя;
- на автомобилях с автоматической трансмиссией управляет коробкой передач
- управляет распределенным впрыском топлива в цилиндры, включает и выключает топливный насос;
- регулирует частоту вращения коленчатого вала на холостом ходу;
- обеспечивает искробразование на свечах и корректирует угол опережения зажигания;
- на автомобилях с кондиционером управляет включением и выключением компрессора, а также контролирует работу ряда устройств;
- управляет работой вентиляторов системы охлаждения двигателя;
Система состоит из электронного блока управления, датчиков и исполнительных устройств, соединительных проводов с разъемами. Датчики системы управления двигателем: синхронизации, положения распределительного вала, концентрации кислорода, массового расхода воздуха (либо датчик абсолютного давления и температуры воздуха на впуске), температуры охлаждающей жидкости, положения дроссельной заслонки, скорости движения автомобиля, сцепления, положения рычага выбора передачи.
Проверка ЭБУ Форд Фокус 2
Исполнительные устройства: электромагнитные форсунки; модуль зажигания; регулятор холостого хода; реле зажигания, стартера и топливного насоса; контрольная лампа неисправности двигателя на панели приборов; электромагнитный клапан продувки адсорбера; клапан системы рециркуляции отработавших газов.
В систему управления двигателем интегрирован иммобилайзер. Кроме того, выполнены соединения с электронным блоком управления АБС с противопробуксовочной системой и системой стабилизации траектории.





